Для роторных насосов серии Rotoflow: PO 70-400 и PO 500-1000. и CO/MO 50-200.
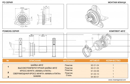
Комплект гибких муфт 48YZ используется для сохранности вала двигателя в случае, если насос заблокирован или его вращение становится очень трудным (например, если графитовые детали сломаны из-за попадания внутрь твердых частиц и внутренней окалины).
- Продлевает срок службы и защищает рециркуляционные насосы и двигатели от поломки
- Простота установки
Комплект гибких муфт 48YZ (артикул 92-80-04) устанавливается между насосом и двигателем, как показано ниже. В стандартный комплект входят артикулы: 92-01-04, 91-03-06 и 94-80-01.

Дополнительные (опционные) крепления роторных насосов PO/CO/MO. (PDF, 1,2 mB)
Перечень запасных частей для роторных насосов Fluid-o-Tech (нержавеющая сталь) (pdf, 277 kb)
Перечень запасных частей для роторных насосов Fluid-o-Tech (латунь) (pdf, 263 kb)
Вес | 0.04 кг |
Бренд | Fluid-o-Tech |
Мы принимаем оплату наложенным платежом, пластиковыми картами, электронными деньгами, безналичным способом (от юридических и физических лиц), а также наличными курьеру при доставке (Москва и Санкт-Петербург), банковскими картами или наличными в нашем магазине в Москве:
























