Комплектация
Насос-распылитель постоянного тока напряжением питания 12VDC или 24VDC может перекачивать воду.
Применение:
- Сельское хозяйство/яхта/дом на колесах/караван для систем водоснабжения под давлением
- Распылитель (автомобильный распылитель, электрический распылитель, аккумуляторный распылитель, ручной распылитель)
- Розлив пищевых напитков и перекачка жидкостей
Функции:
- Стабильная производительность
- Самовсасывающий
- Автоматический переключатель давления (реле)
- Низкий уровень шума
- Устойчивость к коррозии
- Рабочий цикл: работа с перерывами
Характеристики мембранных водяных насосов 12 вольт DC Singflo 2,4 бар:
- Напряжение: 12 вольт DC (FLO-2202); 24 вольт DC (FLO-2402)
- Давление: 35PSI (2,4 бар)
- Производительность, скорость потока воды: 12VDC: 4,3 литра/мин; 24VDC: 3,8 литра/мин
- Ток мин/макс: 12VDC: 1,8А (10psi, 0,7 бар) / 3,5А; 24VDC: 1А (10psi, 0,7 бар) / 1,5А
- Предохранитель необходим: 12VDC: 4А; 24VDC: 3A
- Температура воды (мин/макс): 4°C/54°C
- Температура эксплуатации (мин/макс): 4°C/60°C
- Самозакачивание на высоту до 2 метров
- Клапана: EPDM
- Вход/выход: 10мм внешняя ("папа") под трубку
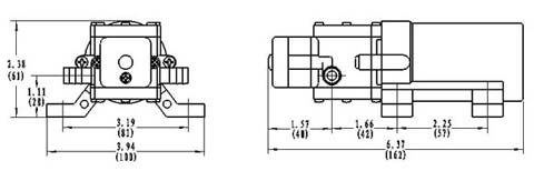
- Размеры упаковки (ДВШ,мм): 200x110x65
- Вес нетто/брутто (кг): 0.65 / 0.78

Мембранный насос, диафрагменный насос - это объёмный насос, где рабочим механизмом является гибкая пластина (диафрагма, мембрана), закреплённая по краям.
Эта пластина изгибается под действием рычажного механизма, или в результате изменения давления воздуха, или жидкости и выполняет функцию, эквивалентную функции поршня в поршневом насосе.
ОБЯЗАТЕЛЬНО. Устанавливайте на входе в насос фильтр с сеткой не крупнее 40 микрон. Наличие мусора внутри насоса исключает гарантийные обязательства.
Сжатый воздух, проникающий за одну из мембран насоса, заставляет её сжиматься и продвигать жидкость в отверстие выхода. В это время вторая мембрана напротив создаёт вакуум и, таким образом, всасывает жидкость.
ВНИМАНИЕ. Подача воды должна производится кратковременными циклами. Максимальный период времени работы насоса не должен привести к перегреву насоса. При достижении максимальной температуры насоса необходимо отключить и дождаться его охлаждения. Работа насоса при перегреве может привести к сокращению срока службы насоса и его поломке.
Преимущества мембранных насосов:
- Надёжная и простая конструкция насоса благодаря отсутствию двигателя и редуктора. Кроме того, отсутствуют вращающиеся детали,
- Практически абсолютная безопасность при работе с горючими жидкостями, так как в качестве привода используется энергия сжатого воздуха и отсутствует искрообразование,
- Насосы отличаются компактными размерами и малым весом,
- Мембранные насосы универсальны. Они могут использоваться для перекачки воды и вязких жидкостей,
- В насосах нет уплотнений и подшипников, что определяет отсутствие утечек и износа основных деталей,
- Для работы мембранных насосов не нужна смазка механизмов и даже техническое обслуживание.
Цвет | |
Вес | 0.78 кг |
Бренд | Singflo (Китай) |
Наличие | в наличии |
Напряжение | 12 вольт DC |
Мы принимаем оплату наложенным платежом, пластиковыми картами, электронными деньгами, безналичным способом (от юридических и физических лиц), а также наличными курьеру при доставке (Москва и Санкт-Петербург), банковскими картами или наличными в нашем магазине в Москве:


























