Повышающий насос применяется для увеличения производительности мембран обратного осмоса в системах фильтрации и деминерализации воды.
Насосы комплектуются блоком питания (адаптером) для подключения к сети 220 вольт, а также могут применяться без адаптера в сети с напряжением 24 VDC.
Для работы большинства современных мембран обратного осмоса вполне достаточно обычного водопроводного давления. Но при вероятном падении давления снижается и производительность системы фильтрации. Для того, чтобы не зависеть от стабильности работы системы водоснабжения рекомендуется установить повышающий насос, который обеспечит достаточное для нормальной работы давление воды на мембрану.
Установки обратного осмоса чувствительны к гидроударам и резким скачкам давления воды в системе, поэтому повышающие насосы снабжаются обратным клапаном (байпас), который пропускает воду только в одну сторону.
Мембранные насосы универсальны, отличаются компактными размерами и малым весом. Для работы мембранных насосов не нужна смазка механизмов и даже техническое обслуживание. Мембранные насосы отличаются высокой надежностью и могут работать продолжительное время без воды и без поломки - "сухой режим".
Модели насосов для мембран производительностью 50-75 GPD/100 GPD/ 200 GPD:
- (8050+DC24V/1.2A) 50~75 GPD насос DC24V/1.2A + адаптер 220VAC
- (8100+DC24V/1.2A) 100 GPD насос + DC24V/1.2A + адаптер 220VAC
- (8200+DC24V/2A) 200 GPD насос + DC24V/2A + адаптер 220VAC
| ХАРАКТЕРИСТИКИ: | 8050 | 8100 | 8200 |
|---|---|---|---|
| Поток | 1,2 литра/мин | 1,4 литра/мин | 2,2 литра/мин |
| Давление | 4,1 бар (60 psi) | 6,9 бар (100 psi) | 7,5 бар (110 psi) |
| Ток | 1.2A | 1.2A | 2.0A |
| Тип насоса | мембранный | ||
| Двигатель | постоянный магнит | ||
| Напряжение | 24VDC | ||
| Реле давления | нет | ||
| Диапазон температуры | 4°C-65°C | ||
| Самозакачивание | до 2 метров высоты | ||
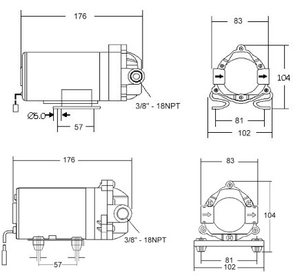
| Вход/Выход | 3/8" NPT внутренняя резьба + фитинг JACO угловой 1/4" трубка (2 шт.) | ||
| Материалы | пластмасса-нейлон; клапаны-EPDM; мембрана-Santoprene | ||
| Вес | 1.65 кг | 1.85 кг | 1.92 кг |
| Размеры (ДШВ) | 176х83х104 (мм) | ||
| Рабочий цикл | непрерывный | ||
| Байпас | 8,2 бар (120psi) | 9,5 бар (140psi) | 8,6 бар (125psi) |
| Типовое применение | повышающий насос для мембран обратного осмоса | ||
Принцип работы мембранного насоса: вода поступает в насосную камеру через впускной клапан и выталкивается через выпускной клапан под действием возвратно-поступательного диафрагмы.


| 1 | Верхняя крышка корпуса |
| 2 | Перепускной и выпускной клапаны в сборе |
| 3 | Компоненты мембраны |
| 4 | Привод с сборе |
| 5 | Двигатель в сборе |
Вес | 2.2 кг |
Бренд | Lan Shan (Тайвань) |
Мы принимаем оплату наложенным платежом, пластиковыми картами, электронными деньгами, безналичным способом (от юридических и физических лиц), а также наличными курьеру при доставке (Москва и Санкт-Петербург), банковскими картами или наличными в нашем магазине в Москве:











