Характеристики мембранного насоса для воды Flojet серии Triplex H-Pressure 150PSI 220V:
- Напряжение: 230 вольт AC
 - Давление: 150PSI (10,3 бар)
 - Производительность, скорость потока воды: 5,3 литра/мин
 - Ток (максимум): 0,55 А
 - Максимальное входное давление: 30PSI (2,07 бар)
 - Самозакачивание на высоту до 2-х метров
 - Температура воды (мин/макс): 4°C/71°C
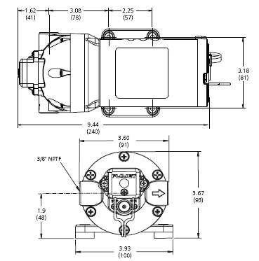
 - Вход/выход: 3/8” NPTF (9,5 мм) внутренняя
 - Мембрана: Santoprene
 - Шаровые клапана: EPDM
 - Размеры (ДВШ,мм): 256х93х91, размер упаковки 300х100х200
 - Вес: 3,8 кг / 4,3 кг с упаковкой
 
Мы используем водяной насос 220 вольт Flojet с характеристикой давления воды 10,3 бар для повышения давления в системах водоподготовки на основе обратного осмоса, тем самым увеличивая производительность процесса деминерализации воды с помощью мембраны обратного осмоса.
Насосы Flojet отличаются высокой надежностью и могут работать продолжительное время без воды и без поломки - "сухой режим". Мембраны Santoprene сделаны из термопластичных полимеров, которые обеспечивают высокую сопротивляемость к нагрузкам и обладают значительной кислотостойкостью и сопротивляемостью к щелочным средам, а также высокой прочностью на изгиб и хорошим сопротивлением изнашиванию.
 Инструкция пользователя для насосов серии Triplex High Pressure на русском языке (pdf, 684 kB).
 Буклет от производителя (pdf, 3,38 mB).
ОБЯЗАТЕЛЬНО. Устанавливайте на входе в насос фильтр с сеткой не крупнее 40 микрон. Наличие мусора внутри насоса исключает гарантийные обязательства.
Преимущества мембранных насосов:
- Надёжная и простая конструкция насоса благодаря отсутствию двигателя и редуктора. Кроме того, отсутствуют вращающиеся детали,
 - Практически абсолютная безопасность при работе с горючими жидкостями, так как в качестве привода используется энергия сжатого воздуха и отсутствует искрообразование,
 - Насосы отличаются компактными размерами и малым весом,
 - Мембранные насосы универсальны. Они могут использоваться для перекачки воды и вязких жидкостей,
 - В насосах нет уплотнений и подшипников, что определяет отсутствие утечек и износа основных деталей,
 - Для работы мембранных насоса не нужна смазка механизмов и даже техническое обслуживание.
 

Мембранный насос, диафрагменный насос - это объёмный насос, где рабочим механизмом является гибкая пластина (диафрагма, мембрана), закреплённая по краям.
Эта пластина изгибается под действием рычажного механизма, или в результате изменения давления воздуха, или жидкости и выполняет функцию, эквивалентную функции поршня в поршневом насосе.
Сжатый воздух, проникающий за одну из мембран насоса, заставляет её сжиматься и продвигать жидкость в отверстие выхода. В это время вторая мембрана напротив создаёт вакуум и, таким образом, всасывает жидкость.
Вес  | 4.25 кг | 
Бренд  | Flojet | 
Мы принимаем оплату наложенным платежом, пластиковыми картами, электронными деньгами, безналичным способом (от юридических и физических лиц), а также наличными курьеру при доставке (Москва и Санкт-Петербург), банковскими картами или наличными в нашем магазине в Москве:









