Насос центробежного типа с магнитным приводом марки Flojet HPR 6/8 предназначен для непрерывной рециркуляции охлажденной, газированной воды, агрессивных химикатов, жидкости в системах высокого давления. Насос подходит для перекачивания пищевых сред.
Описание:
- Изготовлен из химически стойких пищевых термопластов
- Перекачивание с скоростью потока 5,5 литра/мин и давлением 10 бар
- Магнитная муфта обеспечивает тепловой экран, сводя к минимуму теплопередачу перекачиваемой жидкости
- Обеспечена температурная стабильность и чистота продукта
- Непрерывная работа без протечек
- Противоударный корпус двигателя IP22
- Низкая конденсация
- Нитриловые уплотнительные кольца. Доступны другие материалы.
- Не требует постоянного сервисного обслуживания
- Корпус насоса PPS (полимер полифениленсульфид)
- Долговечность и надежность
Технические характеристики:
- Материал корпуса насоса: полимер полифениленсульфид (PPS)
- Класс защиты корпусов электронного оборудования: IP44
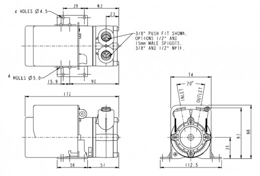
- Вход/выход: 1/2" (12.7 мм)
- Питание: 220-240 вольт переменного тока(VAC), 50/60 (Hz)
- Мощность мотора: 18 Ватт
- Производительность (поток): 330 литров/час (5,5 литров/мин)
- Самовсасывание: нет
- Давление: 10 бар
- Максимальное количество пусков в час: 50
- Диапазон температуры воды: от -20°C до +85°C
- Уровень шума: 35.0 (дБ)
- Сертификаты: EAC, NSF, CE, UL, RoHS, IPX6
- Размеры насос/упаковка (ДВШ): 172х113х98 (мм) / (мм)
- Вес нетто/брутто: 2,5 кг / 2,7 кг (в упаковке)
ПРИМЕЧАНИЕ: Насосы с магнитной муфтой предназначены для перекачки чистых жидкостей. Твердые вещества могут вызвать заклинивание. Абразивные материалы уменьшат срок службы насоса и аннулируют гарантию. Насосы HPR не являются самовсасывающими и не предназначены для работы всухую.
Буклет от производителя (pdf, 585 kb)
Вес | 2.5 кг |
Бренд | Flojet |
Мы принимаем оплату наложенным платежом, пластиковыми картами, электронными деньгами, безналичным способом (от юридических и физических лиц), а также наличными курьеру при доставке (Москва и Санкт-Петербург), банковскими картами или наличными в нашем магазине в Москве:















