Комплектация
|
|
1 978 ₽ | шт. |
Характеристики мембранного водяного насоса SHURflo 100PSI (6,9 бар) 12 вольт:
- Напряжение: 12 вольт
- Давление: 100PSI (6,9 бар)
- Производительность, скорость потока воды: 5,25 литра/мин
- Температура воды (мин/макс): 4°C/77°C
- Самозакачивание на высоту до 3,5 метров
- Максимальное входное давление: 30PSI (2,07 бар)
- Вход/выход: ½” внешняя ("папа")
- Мембрана: Santoprene
- Шаровые клапана: EPDM
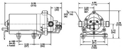
- Размеры (ДВШ,мм): 213х104х114
- Вес: 2,07 кг
Скачать руководство по применению насосов SHURflo серии 8000 на русском языке.
ОБЯЗАТЕЛЬНО. Устанавливайте на входе в насос фильтр с сеткой не крупнее 40 микрон. Наличие мусора внутри насоса исключает гарантийные обязательства.
Насосы SHURflo широко известны высокой надежностью и качеством.
Мембраны Santoprene сделаны из термопластичных полимеров, которые обеспечивают высокую сопротивляемость к нагрузкам и обладают значительной кислотостойкостью и сопротивляемостью к щелочным средам, а также высокой прочностью на изгиб и хорошим сопротивлением изнашиванию.
Обратите внимание на таблицу соотношений характеристик давления и количества воды в единицу времени, представленную ниже. Как можно заметить, давление и скорость подачи воды насоса являются разнонаправленными характеристиками. Поэтому, если вам необходимо бòльшее количество воды, то необходимо наоборот уменьшить регулировку контроллера насоса. А увеличение значения регулировки необходимо для увеличения характеристики давления в насосе для подачи воды на дополнительную высоту.

Мембранный насос, диафрагменный насос - это объёмный насос, где рабочим механизмом является гибкая пластина (диафрагма, мембрана), закреплённая по краям.
Эта пластина изгибается под действием рычажного механизма, или в результате изменения давления воздуха, или жидкости и выполняет функцию, эквивалентную функции поршня в поршневом насосе.
Сжатый воздух, проникающий за одну из мембран насоса, заставляет её сжиматься и продвигать жидкость в отверстие выхода. В это время вторая мембрана напротив создаёт вакуум и, таким образом, всасывает жидкость.
Преимущества мембранных насосов:
- Надёжная и простая конструкция насоса благодаря отсутствию двигателя и редуктора. Кроме того, отсутствуют вращающиеся детали,
- Практически абсолютная безопасность при работе с горючими жидкостями, так как в качестве привода используется энергия сжатого воздуха и отсутствует искрообразование,
- Насосы отличаются компактными размерами и малым весом,
- Мембранные насосы универсальны. Они могут использоваться для перекачки воды и вязких жидкостей,
- В насосах нет уплотнений и подшипников, что определяет отсутствие утечек и износа основных деталей,
- Для работы мембранных насосов не нужна смазка механизмов и даже техническое обслуживание.
Таблица соотношений давление/скорость потока/ток для насоса SHURflo 100PSI (6,9 бар) 12 вольт:
| Давление, PSI | Давление, бар | Скорость потока, литров/мин | Ток, A |
| 0 | 0 | 5,25 | 2,7 |
| 10 | 0,69 | 5,00 | 3,0 |
| 20 | 1,38 | 4,80 | 3,5 |
| 30 | 2,07 | 4,60 | 4,0 |
| 40 | 2,76 | 4,35 | 4,4 |
| 50 | 3,45 | 4,20 | 4,9 |
| 60 | 4,14 | 4,05 | 5,4 |
| 70 | 4,83 | 3,82 | 5,8 |
| 80 | 5,52 | 3,75 | 6,2 |
| 90 | 6,21 | 3,45 | 6,5 |
| 100 | 6,9 | 3,15 | 6,9 |
Вес | 2.13 кг |
Бренд | SHURflo |
Наличие | нет на складе |
Мы принимаем оплату наложенным платежом, пластиковыми картами, электронными деньгами, безналичным способом (от юридических и физических лиц), а также наличными курьеру при доставке (Москва и Санкт-Петербург), банковскими картами или наличными в нашем магазине в Москве:






